征途国际

消防水炮

收藏本站 在线留言 网站地图 XML 欢迎光临军巡铺消防炮-17年厂家 仓库厂房智慧消防专家

咨询电话:400-8488-119

服务热线:15638816119

历史搜索词:

红外火焰探测器

良大军巡铺专注各类消防水炮的研发制造,提供设计安装,上门调试及协助消防验收服务
订购热线:400-8488-119

  军巡铺品牌红外火焰探测器又称智能点型火焰探测器,它是用于响应火灾的光特性,即探测火焰燃烧的光照强度和火焰的闪烁频率的一种火灾探测器。通过内置的16位微处理器和信号处理算法,更加有效的区分出真实的火焰辐射与干扰源,也极大程度的降低了环境因素对探测器的影响。

军巡铺品牌红外火焰探测器

  红外火焰探测器采用火焰多光谱信号采集方式/全频波分析技术,避免了传统探测器的易受干扰的弱点。具有较高的抗干扰能力,不受风雨、高温、高湿及自然人工光源等影响,可良好工作于室内或室外环境。

  ◆采用双波段探测技术,实现火灾探测。

  ◆内置高速、低功耗、高性能数据处理芯片。

  ◆多级灵敏度使用更多场合。

  ◆探测视角红外110°,紫外120°。

  ◆完善的算法提高火灾探测准确率。

  ◆探测器对于多种燃料产生的火源均可探测。

  ◆适用于重工业应用场所。

  ◆防爆设计适用于危险区域工业场所使用。

红外火焰探测器产品参数



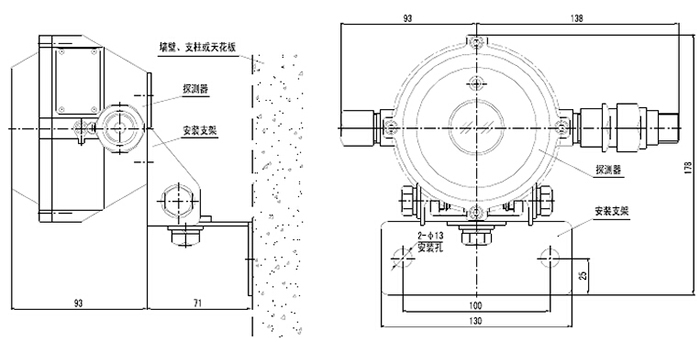
红外火焰探测器安装图
红外火焰探测器安装图


  红外火焰探测器适用于无烟液体和气体火灾、产生明火以及产生爆燃的场所。例如:航天工业、飞机库、飞机修理场、化学工业、公路隧道、弹药和爆炸品仓库、油漆工厂、石油化工企业、天然气勘探生产企业、制药企业、发电站、印刷企业、易燃材料仓库等可燃物含碳物质的其他场合。

红外火焰探测器适用场所



红外火焰探测器资质证书


  1、售前免费进行图纸设计优化

  2、售中专人电话指导安装并附接线视频和接线图

  3、售后专员上门调试,协助消防验收,验收不通过就退款

  4、来电5分钟内响应,省内24小时达到现场,省外48小时到达现场

  5、终身维修,质保期一年内出现质量问题,原则只换不修;质保期外只收取材料费和工本费

良大公司专注军巡铺牌消防水炮、防爆消防水炮、自动消防水炮、电控消防水炮、智能消防水炮及大空间吸气式感烟火灾探测器、图像型火灾探测器、红外火焰探测器等消防设备的研发制造,免费提供图像型火灾探测器的设计安装方案,产品资质齐全,上门服务,协助消防验收。所有产品均获得国家权威机构3C认证证书,身份识别标志等相关资料,如果您对我公司产品型号、参数、价格等想进一步有所了解的话,请来电咨询!

销售热线:15638816119


采购:红外火焰探测器

  • *联系人:
  • *手机:
  • 公司名称:
  • 邮箱:
  • *采购意向:

其他热搜消防水炮产品 / Related Products

红外火焰探测器
红外火焰探测器
军巡铺品牌红外火焰探测器又称智能点型火焰探测器,它是用于响应火灾的光特性,即探测火焰燃烧的光照强度和火焰的闪烁频率的一种火灾探测器。通过内置的16位微处理器和信号处理算法,更加有效的区分出真实的火焰辐射与干扰源,也极大程度的降低了环境因素对探测器的影

消防水炮相关资讯

联系良大Contact us

咨询电话:400-8488-119

电话:0371-67637800

传真:0371-64018858

手机:15638816119

QQ:465076749

邮箱:jxp@junxunpu.com

地址:河南省国家大学科技园-西区Y21栋


厂址:巩义市西村镇永安路176号

本站内容仅供参考,不作为承诺。准确信息以厂家纸面回复为准。
关闭
400-8488-119
15638816119
工作时间:周一至周日
在线时间:7*24小时
征途国际:在线留言
征途国际(中国游)官方网站 - 主页欢迎您 - pgzt二维码
var _hmt = _hmt || []; (function() { var hm = document.createElement("script"); hm.src = "https://hm.baidu.com/hm.js?25a8b6ddd6dc7b9a90aeb1f51e218aa6"; var s = document.getElementsByTagName("script")[0]; s.parentNode.insertBefore(hm, s); })(); 悟空·(中国)体育官方网站-WOKONG SPORTS世界杯官网 XK星空·(体育中国)官方网站 豪利777 - OLE777在线 东升国际 - 东升国际娱乐平台 HOME-富联娱乐「保障平台,省心注册」 - pgfl